近日,工業和信息化部 財政部 稅務總局發布《關于調整享受車船稅優惠的節能 新能源汽車產品技術要求的公告》,本公告自2026年1月1日起實施。
文件指出,燃料電池商用車技術要求為:
1.燃料電池系統的額定功率不小于50kW,且與驅動電機的額定功率比值不低于50%。
2.燃料電池啟動溫度不高于-30°C。
3.燃料電池電堆額定功率密度不低于2.5kW/L,系統額定功率密度不低于300W/kg。
4.純氫續駛里程不低于300公里。
全文如下:

關于調整享受車船稅優惠的節能 新能源汽車產品技術要求的公告
2025年第25號
為適應節能與新能源汽車產業發展和技術進步需要,結合《乘用車燃料消耗量限值》(GB 19578—2024)、《輕型商用車輛燃料消耗量限值及評價指標》(GB 20997—2024)、《重型商用車輛燃料消耗量限值》(GB 30510—2024)等標準發布實施,現就《財政部 稅務總局 工業和信息化部 交通運輸部關于節能 新能源車船享受車船稅優惠政策的通知》(財稅〔2018〕74號)中享受車船稅優惠的節能、新能源汽車產品技術要求有關事項公告如下:
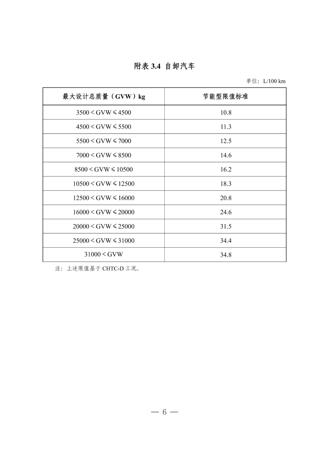
一、對財稅〔2018〕74號文中第一條第(一)項、第(二)項中涉及的節能乘用車、節能輕型商用車、節能重型商用車綜合工況燃料消耗量限值標準進行更新,詳見本公告附件1、附件2、附件3。
二、對財稅〔2018〕74號文中第二條第(二)項中涉及的新能源汽車產品技術要求進行調整,詳見本公告附件4。
三、享受車船稅優惠的節能、新能源汽車產品其他技術要求繼續按照財稅〔2018〕74號文有關規定執行。
四、本公告自2026年1月1日起實施。工業和信息化部、財政部、稅務總局公告2024年第10號同時廢止。2026年1月1日前企業完成申請的,相關技術要求繼續按照財稅〔2018〕74號文和2024年10號公告規定執行。2026年1月1日(含)起,新申請享受車船稅優惠政策的節能、新能源汽車車型,其技術要求按照本公告規定執行,符合條件的列入新的《享受車船稅減免優惠的節約能源 使用新能源汽車車型目錄》(以下簡稱新《目錄》)。新《目錄》自第八十二批開始。
新《目錄》公告后,第六十五批至第八十一批《目錄》同時廢止,原《目錄》中符合本公告技術要求的車型將自動轉入新《目錄》,不符合本公告技術要求的車型應于2026年1月1日前完成整改和重新申報,符合要求的可列入新《目錄》。
五、新《目錄》公告前,已取得的列入第四批至第八十一批《目錄》的節能、新能源汽車,不論是否轉讓,可繼續享受車船稅減免優惠政策。
特此公告。
附件:1.節能乘用車綜合工況燃料消耗量限值標準
2.節能輕型商用車綜合工況燃料消耗量限值標準
3.節能重型商用車綜合工況燃料消耗量限值標準
4.新能源汽車產品技術要求
工業和信息化部
財政部
稅務總局
2025年9月29日
關于調整享受車船稅優惠的節能 新能源汽車產品技術要求的公告.pdf









